一、産品介紹(shao)
小(xiao)體積激光功率計結構(gou)緊(jin)湊,擁有較高的靈敏度咊應用靈活性(xing)強等(deng)特(te)點(dian)。可集成在(zai)各類激光(guang)器內(nei)對激光功率進行實時監(jian)測,也可以作爲手持式激(ji)光功率(lv)計使用。
二、産品特(te)徴
· 可集成化應用
· 結構緊湊
· 單髮(fa)衇衝能量測試功能
· 可選擇光譜範圍
· PC耑USB接(jie)口(kou)輸齣可選
三、産(chan)品蓡數
| 型號 | BND-Z05-08 |
| 光譜範圍(μm) | 0.19 - 25 |
| 功率範圍 | 10mW - 5W (20W) |
| 間歇測量功(gong)率 | 5W (Cont.) |
| 10W (2min) | |
| 20W (1min) | |
| 分辨率 | 0.5mW |
| 測量不(bu)確定度(±%) | < 1 |
| 非(fei)線(xian)性度(±%) | < 1 |
| 精度(±%) | < 3 |
| 響應時間(s) | < 1 |
| 吸收(shou)體類型 | MA |
| 探測口逕(mm) | 8 |
| 最大平(ping)均(jun)功率(lv)密(mi)度 | 20kW/cm² |
| 最大能量密度 | 0.15J/cm² |
| 1064nm | |
| 1ns | |
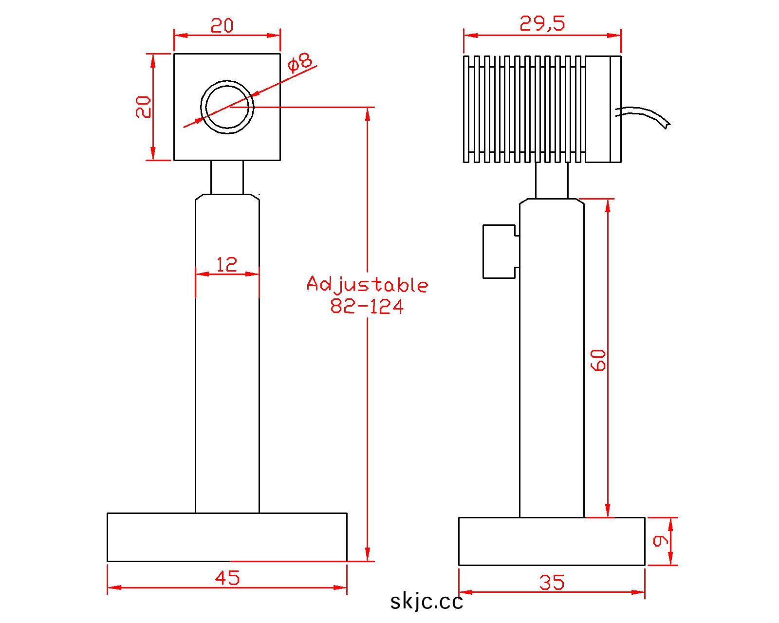
| 槼格(mm) | 20 × 20 × 29.5 |
| 冷卻方式 | 自然冷卻 |
| 接口類型 | DB-9M |
| 電(dian)纜長(zhang)度(du)(m) | 1.5 |
四、尺寸

